Гибридные шаговые двигатели AD‑200 NEMA 24

Технические характеристики
Полный шаг двигателя, град | 1,8 |
Погрешность углового шага, град | ±0,09 |
Максимально допустимая радиальная нагрузка на вал на расстоянии 20 мм от фланца, Н | 75 |
Максимально допустимая осевая нагрузка на вал, Н | 15 |
Максимальный ток фазы, А | 2,8 |
Максимальный крутящий момент, кг*см | 31 |
Шаговые двигатели серии AD‑200 являются надежными и качественными шаговыми двигателями для широкого круга применений. Предлагаемые модели: шаговый двигатель AD‑200‑21 (AD‑200‑22) и AD‑200‑31 (AD‑200‑32). Реализованные на базе шаговых двигателей AD‑200 приводы имеют высокую точность позиционирования и надежность.
Шаговые двигатели серии AD-200 с максимальным током фазы 2,8А и максимальным крутящим моментом 31 кг*см используются в упаковочном оборудовании, робототехнике, рекламном оборудовании, в приборостроении, устанавливаются в станках с ЧПУ и пр. устройствах, приборах, аппаратах и механизмах, в которых на электропривод возлагается задача быстрого и точного позиционирования. Основной угловой шаг – 1,8° . Наиболее подходящие блоки управления шаговыми двигателями – БУШД-4.2LAN, БУШД-4.2К-3.
Исполнения шаговых двигателей серии AD‑200
-
Шаговый двигатель AD‑200‑21(22)
Вес 1,2 кгДлина L 67 ммШаг 1.8°Момент инерции 570 г•см²Маркировка
Вал с одной стороны
AD‑200‑21
Вал с двух сторон
AD‑200‑22
-
Шаговый двигатель AD‑200‑31(32)
Вес 1,4 кгДлина L 88 ммШаг 1.8°Момент инерции 840 г•см²Маркировка
Вал с одной стороны
AD‑200‑31
Вал с двух сторон
AD‑200‑32
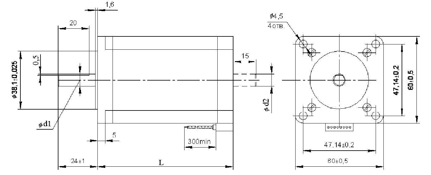
Габаритные и присоединительные размеры двигателей AD‑200

Электрические схемы шаговых двигателей AD‑200

Схема 1. Униполярное соединение фаз

Схема 2. Параллельное соединение фаз

Схема 3. Последовательное соединение фаз
Связаться с нами
Хотите узнать дополнительную информацию о продукции — задайте вопрос. Наш специалист свяжется с вами в ближайшее время.
Если вас интересует цена товара, свяжитесь с отделом продаж по телефонам: 8 (800) 101‑46‑39 - СПб, 8 (800) 505‑77‑46 - Москва, или по почте: sale@electroprivod.ru - СПб, msk@electroprivod.ru - Москва

Вопросы и комментарии
По данной категории товаров еще нет комментариев, оставьте ваш вопрос, он будет первым.
В
какова стоимость АД-200-21, АД-200-22
Здравствуйте.
Сроки поставки и стоимость продукции уточняйте в отделе продаж. Почта и телефоны указаны на странице контакты.
Юрий
Добрый день! Имеются ли крепежные отверстия со стороны второго вала? есть необходимость закрепить энкодер.
Добрый день, Юрий. Крепежных отверстий со стороны второго вала нет.
Иван
как ЭТО подлкючить ???? зачем там 8 проводов и как ими пользоваться ?
Добрый день, Иван! Восемь выводов шагового двигателя объединяются попарно, как показано на схемах 2 и 3. Четыре вывода подключаются к драйверу шагового двигателя.
Алексей
нужно 3 двигателя AD-200-21 в Петербурге. Укажите стоимость и сроки.
Здравствуйте Алексей.
Сроки поставки и стоимость продукции уточняйте в отделе продаж. Почта и телефоны указаны на странице контакты.
Павел
Добрый день!Подскажите пожалуйста рабочее напряжение питания для данного двигателя
Здравствуйте Павел.
Как такового рабочего напряжения для шагового двигателя не существует. И в частном случае рабочие напряжения двигателя определяются блоком его управления. В данном случае оптимальным будет блок управления SMSD 4.2 c напряжением 12-48 В. Та к же стоит отметить, что чем выше напряжение, тем выше крутящий момент двигателя в динамике, но при этом не стоит забывать об условиях его эксплуатации. То есть в закрытых изолированных пространствах двигатель может перегреваться более чем 80гр. С ,что приведет к его порче и наоборот в прохладных вентилируемых пространствах теплоотдача будет выше. Эти факторы тоже нужно учитывать при выборе рабочего напряжения ШД.
Не нашли ответа на свой вопрос?
Задайте его ниже — мы постараемся ответить как можно скорее.
Виталий